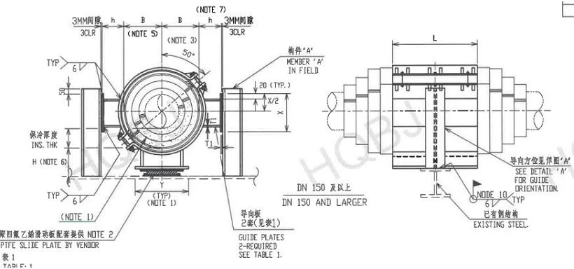
제품 설명 :
에서석유 및 가스 산업파이프 라인 시스템은 특히 액체 및 가스의 장거리 운송에서 중요한 역할을합니다. 석유 및 가스의 운송에는 종종 저온 또는 고압 환경이 포함되며, 이는 단열재, 열 단열 및 파이프 라인 방지에 매우 높은 요구 사항을 부과합니다. 파이프 라인지지 및 단열재를위한 효율적인 솔루션으로 콜드 절연 파이프 지지대는 파이프 라인 시스템의 안전성과 안정성을 효과적으로 보장하고 운송 효율을 향상 시키며 에너지 손실을 줄일 수 있습니다.

핵심 산업
우주 및 위성 시스템: 로켓 엔진의 극저온 연료 라인을 안정화시킵니다.
양자 컴퓨팅 실험실: 근처에 absolute-zero 환경에서 초전도 회로를 정렬합니다.
의학적 극저온: MRI 액체 헬륨 공급 라인 및 냉동 외과 시스템을 고정시킵니다.
고급 에너지 저장: 녹색 수소 허브에서 액체 수소 (LH2) 파이프 라인을지지합니다.
고 에너지 물리학: 입자 가속기 냉각 시스템에서 열 수축을 관리합니다.


획기적인 장점
나노 insulation: 그래 핀 강화 에어로겔 층 (λ=0.015 w/m · K) 블록 99.7%의 열 유입.
6 축 안내: 다이아몬드 유사 탄소 (DLC) 코팅을 갖는 탄소 섬유 레일은 ± 75mm 축 + ± 15mm 측면 이동을 가능하게합니다.
제로 아웃가스: 우주 등급 응용을위한 초고속 진공 (UHV)-호환 재료.
스마트 건강 모니터링: 임베디드 광섬유 센서는 마이크로 운동 및 단열 위반을 실시간으로 감지합니다.
빠른 배포: MAGLEV (Magnetic Levitation) 정렬 시스템은 설치 시간을 60%줄입니다.
에코 인증: NASA의 아웃gassing 표준 (ASTM E595) 및 EU ROHS 지침을 준수합니다.




인기 탭: 석유 및 가스에 대한 콜드/극저온 파이프지지, 석유 및 가스 제조업체, 공장에 대한 중국 감기/극저온 파이프 지지대, 채널 지원, 커플 링 지원, JIS 파이프 지원, 프리미엄 파이프 지원, 스트럿 지원, 티 지원

